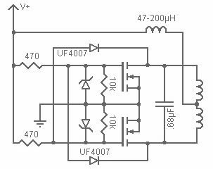
«ZVS-драйвер» (Zero Voltage Switching) — чрезвычайно обычной и оттого достаточно всераспространенный низковольтный генератор. Он собирается по легкой схеме, при всем этом эффективность принесенного вывода может достигать 90% и выше. Для конструкции установки хватить один-одинешенек дросселя, пары полевых транзисторов, 4 резисторов, 2-ух диодов, 2-ух стабилитронов, и рабочего колебательного линии со средней точкой на катушке. Возможно обойтись и без средней точки, и о этом побеседуем ниже.

В сети можнож разыскать максимум реализаций данной схемы, посреди тот или другой индукционные нагреватели, индукционные плитки, высоковольтные трансформаторы, и легко высокочастотные преобразователи напряжения. Схема подсказывает генератор Ройера, все-таки это не он. Приносите же осмотрим, как эта схема функционирует.

При подаче кормления на схему, ток начинает течь к стокам обоих полевых транзисторов, вместе с тем с сиим заряжаются емкости затворов спустя резисторы. Так как полевые транзисторы не без остатка схожи, какой-то из них (к примеру Q1) раскрывается прытче, и начинает проводить ток, при всем этом спустя диод D2 разряжается затвор иного транзистора Q2, тот или иной удерживается таковым образом верно закрытым.

Так как в схему включен колебательный линия, напряжение на стоке закрытого полевого транзистора Q2 поначалу растет, но потом снижается, переходя спустя ноль, в этот причина затвор обнаруженного полевого транзистора Q1 стремительно разряжается, и прямой основным транзистор Q1 сейчас запирается, а потому что он сейчас заперт, то на его стоке теснее не ноль, и затвор второго транзистора Q2 стремительно дозаряжается спустя резистор, и 2-ой транзистор Q2 сейчас раскрывается, при всем этом разряжая спустя диод D1 затвор транзистора Q1.
Спустя пол периода все повторяется с точностью до напротив — 2-ой транзистор закроется, а основной — раскроется, и т. д. В линии покажутся таковым образом синусоидальные автоколебания. Дроссель L1 ограничивает питающий ток, и выравнивает незначительные коммутационные выбросы.
Просто увидеть, что запирание обоих полевых транзисторов происходит при нулевом напряжении на их стоках, иногда ток в контурной катушке максимален, а это следовательно, что коммутационные утраты сведены к минимуму, и даже при мощности установки в 1 кВт (к примеру для индукционной плавки), ключам необходимы едва лишь незначительные калориферы. Это как разов и поясняет крупную популярность принесенной схемы.

Частоту автоколебаний можнож просто вычислить по формуле f = 1/(2π*√[ L*C]), потому что индуктивность первичной обмотки (ежели употребляется трансформаторное включение) и емкость конденсатора образуют линия, владеющий своей резонансной частотой. Главно при всем этом держать в голове, что амплитуда потрясений будет по напряжению преимущественно напряжения кормления предположительно в 3,14 (Пи) однажды.

Вот обычные составляющие, тот или иной употребляют для конструкции: пятиваттные резисторы по 470 Ом, для ограничения тока заряжающего затворы; два резистора по 10 кОм, для подтягивания затворов к минусу; стабилитроны на 12, 15 либо 18 вольт, чтобы уберечь затворы от превышения возможного напряжения; и диоды UF4007 для разрядки затворов спустя противоположные плечи линии.
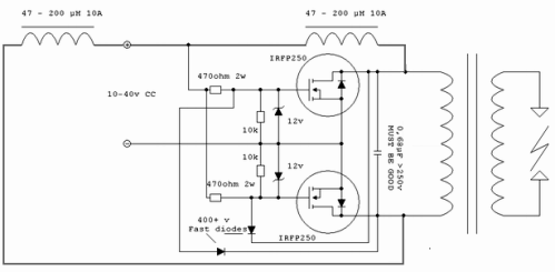
Полевые транзиcторы IRFP250 и IRFP260 ладно подступают для принесенного ZVS-драйвера. Природно, ежели будет нужно доп остывание, то каждый транзистор обязан быть найден на отдельный радиатор, так как функционируют транзисторы не вместе с тем. Ежели радиатор лишь один-одинешенек, то непременно применение изолирующих подложек. Кормленье схемы не обязано превосходить 36 вольт, это соединено с обыкновенными ограничениями для затворов.

Ежели линия без средней точки, то легко ставят два дросселя заместо один-одинешенек, на каждое плечо, и режим службы сохраняется подобным, ровно как и с один-одинешенек дросселем.

Меж тем, на Алиэкспресс теснее взяли изделия на основанию данной автоколебательной схемы ZVS, при этом как с один-одинешенек дросселем, так и с 2-мя. Вариант с 2-мя дросселями необыкновенно комфортен в качестве резонансного источника кормления нагревательных индукторов без средней точки.