Программируемые логические контроллеры (ПЛК) приобрели пространное использование для автоматизации технологического оборудования и действий в промышленном производстве. Это соединено с их превосходствами по сопоставлению с агрегатами электроавтоматики, сделанными по принципу строгой логики. В частности, ПЛК разрешают беречь в памяти немножко программ и применять их при необходимости.

В нынешнее время на базаре находятся ПЛК различных компаний, моделей, конфигураций и потенциалов. Все контроллеры можнож классифицировать по трем группам: моноблочные, модульные. PC-base. Контроллеры каждой группы обладают родные достоинства и нехватки.
Более элементарными приходят моноблочные контроллеры. Ясным образцом принесенной группы приходят моноблочные ПЛК серии LOGO! компании Siemens. Они разрешают бегло и комфортно организовать дискретное управление разными технологическими действиями.

ПЛК LOGO! 230RCL
Программным кулек LOGO!SoftComfort дозволяет бегло и действенно творить программы управления, а татем передавать их в контроллер. Один-одинехонек необычно комфортным для юзера свойством приходит потенциал имитации программы, что дозволяет отредактировать схему управления соответствующим образом перед ее вводом в использование. Не считая того, программное обеспечение дозволяет широко документировать сделанные программы.
Пример программирования ПЛК LOGO!:
Программирование ПЛК LOGO! с поддержкой программы LOGO!SoftComfort:
Запроса к порядку вентиляции
Направление вентиляционной порядка состоит в том, чтоб подавать чистый воздух в помещение и растягивать застоявшийся воздух из помещения. Разглядим последующий пример:

В помещении имется вытяжной вентилятор и приточный вентилятор бодрого воздуха. Два вентилятора контролируются датчиком потока. В помещении никогда не обязано возникать лишнее давление.
Приточный вентилятор соответствен подсоединяться только лишь при соглашении, что датчик потока говорит о надежной занятию вытяжного вентилятора. Ежели один-одинешенек из вентиляторов выходит из строя, то зажигается предостерегающая лампа. Коммутационная схема для предшествующего вывода обладает последующий вид:

Вентиляторы контролируются датчиками потока. Ежели затем краткой задержки воздушный поток не регится, то порядок выключается и выдается известие о неисправности, тот или иной квитируется нажатием клавиши выключения. Контроль вентиляторов просит не считая датчиков потока наличия анализирующей схемы с несколькими переключающими агрегатами. Анализирующая схема быть может заменена один-одинехонек модулем LOGO!.
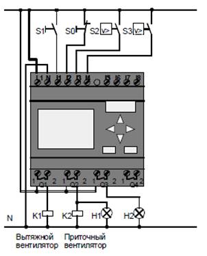
Подключение вентиляционной порядка с LOGO! 230RC

Употребляемые составляющие:
-
K1 — Линейный контактор
-
K2 — Линейный контактор
-
S0 (НЗ контакт) — Клавиша останова
-
S1 (НО контакт) — Клавиша запуска
-
S2 (НО контакт) — Датчик потока
-
S3 (НО контакт) — Датчик потока
-
H1 — Индикаторная лампа
-
H2 — Индикаторная лампа
Агрегат-схема вывода с LOGO!
Агрегат-схема порядка управления вентиляцией с поддержкой LOGO! обладает последующий вид:

Достоинства употребления LOGO!
При применении модуля LOGO! для вас необходимо младше переключающих установок. Это экономит период на установка и место в шкафу управления. При определенных обстоятельствах это, по возможности, даже дозволит для вас применять шкаф управления наименьших размахов.
Доп способности при применении LOGO!
Легкий выход (Q4) быть может употреблен как потенциально развязанный контакт для сигнализации о неисправности либо нарушении по кормленью. По возможности ступенчатое отключение вентиляторов.
Эти функции могут водиться реализованы без доборной коммутационной аппаратуры.
Многофункциональная агрегат-схема расширенного вывода с внедрением LOGO!
Вентиляторы Q1 и Q2 врубаются и выключаются, как изображено с поддержкой последующей схемы:

Не считая того, сквозь выход Q4 вы сможете сгенерировать известие:

Релейные контакты выхода Q4 при занятию порядка постоянно замкнуты. Реле Q4 не отпускает, пока не происходит утрата кормленья либо неисправность в порядку. Это контакт быть может употреблен, к примеру, для дистанционной индикации.
Практическое управление «Варианты внедрения ПЛК LOGO! Siemens»: http://electrolibrary.info/files/LOGO.pdf