В идущих в ногу со временем быстроменяющихся критериях развития базара и новейших технологий при выборе оборудования мы, как и ранее, употребляем немножко заезженные, но не потерявшие собственной актуальности и на данный момент экие понятия, как качество, надежность и стоимость. Но можнож ли очень облегчить для себя задачку, пользуясь только лишь этими аспектами?

Мы выявили очередной, на наш взор, важный нюанс — простосердечие. Простосердечие во цельным — в расчете, в продаже, в производстве и внедрении, в подходе к заключению вопросов.
Живет множество заключений автоматизации объектов водоснабжения и канализации, в том числе и комплексные. Почти все даже неплохи. Сами по для себя предложения не новы, любопытно второе: а живет ли нормальный готовый продукт, тот или иной, как в магазине, — пришел, избрал, покупал?
Испытаем ответить на этот вопросец.
Каковы, на самом деле, объекты водоснабжения, канализации либо отопления? Их незначительно, главные — это:
-
поверхностные водозаборы, станции I-го влезания;
-
грунтовые водозаборы, станции II, III и т. д. влезания;
-
циркуляционные насосные станции;
-
повысительные насосные станции;
-
центральные и личные термо пункты;
-
канализационные насосные станции.
В основанию хоть какого из перечисленных выше объектов, что, вообщем, видно даже из заглавий, находятся насосные станции, на тот или иной исполняются многообразные технологические процессы, вместе с подходящим объектовым оборудованием. Как традиционно, происходит процесс внедрения налаженности автоматизации, но ключевое — за какое период. Возникает потребность в оборудовании (на скорость ее возникновения производитель оборудования воздействовать не может). Делается чертеж.
Тут теснее можнож убыстрить процесс за счет программ подбора оборудования. Но густо ли вы воспользовались програмкой подбора автоматических порядков управления насосными станциями? Сейчас теснее живет таковая программа, тот или другой дозволяет подобрать налаженность автоматического управления насосными станциями под хоть какой перечисленный выше технологический процесс водоснабжения, водоотведения либо теплоснабжения.
При выборе налаженности управления следует знать главные технические характеристики, экие, как численность насосов, мощность, напряжение, ток. Теснее на основании этих предоставленных, отвечая поочередно на вопросцы программы, можнож заработать развернутое технико-коммерческое предложение (ТКП), держащее:
-
спецификацию поставляемого оборудования (в т. ч. с ценой);
-
структурную схему с воссозданием области употребления;
-
схему автоматизации;
-
схемы показных подключений и габаритные размахи в формате Autocad;
-
однолинейную схему;
-
технические свойства налаженности.

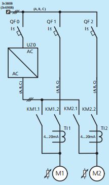
Пример структурной схемы автоматизации
Обычно, на исходном шаге заказчик не уверен — необходимо ему частотное регулирование либо нет, будет он применять установка плавного запуска либо контакторную сборку, а также сколько насосов скоммутировать для занятия от преобразователя частоты. В отношения с сиим, ежели осматривать нормальную выдачу ТКП, процесс соглашений и подготовки может затянуться не на один-одинешенек месяц, тогда как с програмкой подбора автоматических порядков управления выдать заказчику различные варианты схем автоматизации, какие он только лишь для себя выдумает, можнож в движение 5–10 минут.
Модульная установка
Сейчас копнем поглубже. За счет что взяла вероятность творенья такового программного продукта, а также вероятность того, что вывода, ранее вызывающие неизменных инженерных изысканий, замерзли обычными? Живет запатентованное заключение учения порядков автоматизации насосных станций, дозволяющее с помощью обыкновенных модулей охватить целый диапазон схем автоматизации на объектах принесенного класса. Модуль на самом деле собственной — это силовой коммутационный ингредиент.
Грызть модули с преобразователем частоты, коммутирующиеся как впрямую к насосу, так и на второй модуль, тем дозволяя применять схему автоматизации — один-одинешенек преобразователь частоты на немножко насосов.
Грызть модули с установкой плавного запуска, с контакторами и т. д., в принципе, покрывающие различные схемы автоматизации.

Сборка модулей. Модель FC2
Простосердечие монтажа
В нынешнее время цельным знакома практически однообразная схема занятия компаний, занимающихся автоматизацией: это выезд на объект заказчика профессионалов компании и занятие на объекте (установка) около 1–2-х недель. Новейший подход к учению порядков автоматизации — за счет модульной сборки — дозволяет заказчику монтировать налаженности близкими мощами, т. е. сотрудниками, к примеру, водоканала, обладающими средние познания по службе с инженерными порядками. При этом сроки проведения занятий сочиняют 1–2 дня (ежели сделать скидку на то, что оборудование неизвестно).

Пример схемы показных подключений шкафа управления
Простосердечие наладки
Схема занятия, по старинке, таковая же, как описана выше, т. е. 1–2 недельки на объекте заказчика. Как делается пусконаладка налаженности при новеньком теории? Заказчик заблаговременно наполняет перечень характеристик, тот или иной нужно будет ввести для корректной занятия станции.
Это средние технологические характеристики, надлежащие предпочтенному режиму занятия станции определенного компании. Сквозь панель оператора, находящуюся на внешний стране шкафа управления, должно поочередно пт меню, вводятся все технологические характеристики. В баста процедуры нажимается клавиша «пуск», и фактически порядок начинает службу.
Как видно, процесс пусконаладки также не призывает особенной квалификации служащих и быть может произведен мощами заказчика. Эффективность применения этаких порядков автоматизации видна немедля по все этим же незыблемым принципам выбора оборудования: качество, надежность и стоимость. С прибавлением принципа «простота» может создаться иллюзия того, что уменьшены многофункциональные свойства налаженности управления.

Модель FC2. Однолинейная схема
Чтоб убедиться в обратном, коротко остановимся на генеральных функциях автоматической налаженности управления насосными станциями:
-
управление насосной станцией в автоматическом режиме с числом насосов от 1 до 6 в спектре мощностей от 1.5 кВт до 560 кВт (напряжение — 380 В и 660 В);
-
поддержание давления, температуры, расхода, степени либо их перепада с помощью преобразователя частоты и каскадного подключения/отключения насосов с применением входного и выходного датчиков либо сигнализаторов предельных значений;
-
поддержание степени в приемном резервуаре средством каскадного плавного подключения/отключения насосов с применением аналогового датчика степени либо сигнализаторов предельных степеней;
-
поддержание степени с помощью преобразователей частоты;
-
остановка станции при осушении приемного резервуара;
-
включение целых насосов при достижении верхнего аварийного степени;
-
выравнивание наработок насосов в группах (главные, пиковые, резервные);
-
вероятность остановки станции при «нулевом расходе» и при «порыве напорного трубопровода»;
-
контроль очень возможного числа сразу функционирующих насосов;
-
тестовый прогон насосов;
-
поддержка диспетчеризации, диагностики;
-
охрана насосов от бездушного хода, движков — от перенагревания, перегрузки по току, от плохого входного напряжения;
-
датчики температуры обмоток мотора — предупредительный и аварийный (зависит от разновидности мотора);
-
контроль плотности камеры мотора и камеры уплотнений (зависит от разновидности мотора);
-
контроль температуры подшипника (зависит от разновидности мотора), входного кормления, состояния генеральных электрических участков (преобразователя частоты, установок плавного запуска, контакторов, автоматов).
Подведем результат по превосходствам употребления порядков управления при модульной сборки:
-
единичный шкаф управления для в итоге спектра мощностей, числа насосов и схем автоматизации;
-
нормальные силовые коммутационные компоненты (модули), дозволяющие заработать многообразные схемы автоматизации станции;
-
разная компоновка на объекте, вероятность одно- либо двухфидерного подключения к питающей сети;
-
обычный установка, элементарная пусконаладка, комфортная использование;
-
расширенные потенциала диагностики, в том числе по каналам GPRS;
-
готовность к диспетчеризации (ProfiBus, ModBus, Lonworks);
-
вероятность приобретения налаженности по количествам при поэтапном финансировании;
-
подбор налаженности управления в согласовании с нужным технологическим действием, выбор опций, конфигурации и цены, выдача технико-коммерческого предложения в движение 5 минут с подмогой программы подбора автоматических порядков управления насосными станциями.
Н. В. КОРЕНЁК, заместитель генерального начальника по маркетингу ООО «Интеграл Автоматика»
Статья в журнальчике «СтройПРОФИль» (pdf)